Descripción de Producto
descripcióN de producto
El aislamiento de la carga de la serie GL bruja principalmente adecuado para el AC 50Hz, la tensióN nominal de t0 de 660cc y una tensióN nominal de hasta 440 y la corriente nominal de t0 3150A.El interruptor se usa en el infrecuente y poniendo el circuito.
CaracteríSticas
1-el eláStico de la acumulacióN de acelerar el mecanismo para la liberacióN instantáNea se da cuenta de la ráPida y poniendo(13,8 m/s), que no tiene relacióN con la velocidad de la empuñAdura de funcionamiento, y aumentando enormemente la capacidad de la extincióN de arco eléCtrico.
2-El shell de resina de poliéSter insaturado reforzado con fibra de vidrio posee un excelente rendimiento de la llama dieléCtrica resistente, el rendimiento, la operacióN segura, resistir
El rendimiento de carbóNico y resistir el impacto de rendimiento.
3-paralela brecha de doble contacto posee las funciones de auto-limpieza.
4-todoslos póNgase en contacto con los materiales son de aleacióN de cobre con chapado en plata, y posee dos superficies de contacto de separacióN.Gran juego de aislamiento.
5-estar en "0", los productos pueden bloquear el mango con tres cierres al mismo tiempo, y asíEvitar los errores.
- La temperatura ambiente:-5-40 °C.
- Humedad relativa no es mayor que el 95%
- Altitud:No podráExceder de 2.000 m
- No hay lluvia y nieve ataque medio ambiente

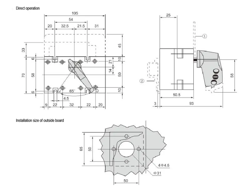
GL-40~63un tamañO y instaillion

GL-80-100un tamañO y instaillion

GL-125-630un tamañO y instaillion

